WS2410/WS2420 for 12V/24V smart analog high-side MOSFET gate driver
WS2510/WS2520 for 48V smart analog high-side MOSFET gate driver
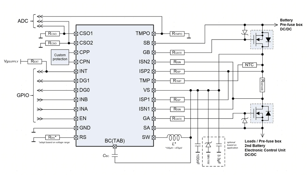
单通道电子保险丝:

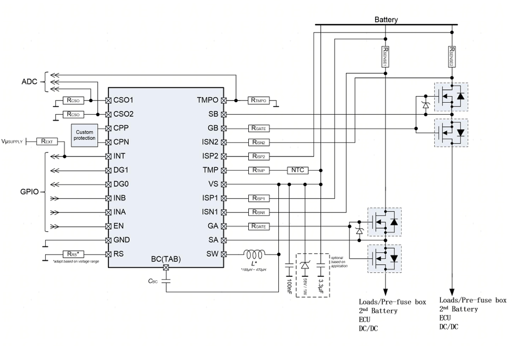
双通道电子保险丝:

| 产品分类 | 产品型号 | 产品封装 | 产品描述 |
|---|---|---|---|
| E-fuse电子保险丝 | WS2410AT | eTSSOP24L | Supply Voltage 3-58V、GND current in SLEEP mode IGND+RS(SLEEP) 1~15uA、BC current in lDLE mode IBC(IDLE) 5~50uA、Pulsed current per gate lG(ON) 175mA、Pulsed current per gate lG(OFF) 1400mA |
| E-fuse电子保险丝 | WS2420AT | eTSSOP24L | Supply Voltage 3-58V、GND current in SLEEP mode IGND+RS(SLEEP) 1~15uA、BC current in lDLE mode IBC(IDLE) 5~50uA、Pulsed current per gate lG(ON) 175mA、Pulsed current per gate lG(OFF) 1400mA |
| E-fuse电子保险丝 | WS2510AT | QFN6×6-26L | Supply Voltage 3-100V、GND current in SLEEP mode IGND+RS(SLEEP) 1~15uA、BC current in lDLE mode IBC(IDLE) 5~50uA、Pulsed current per gate lG(ON) 175mA、Pulsed current per gate lG(OFF) 1400mA |
| E-fuse电子保险丝 | WS2520AT | QFN6×6-26L | Supply Voltage 3-100V、GND current in SLEEP mode IGND+RS(SLEEP) 1~15uA、BC current in lDLE mode IBC(IDLE) 5~50uA、Pulsed current per gate lG(ON) 175mA、Pulsed current per gate lG(OFF) 1400mA |